Contents
- Index
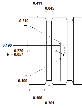
Hollow Point / Hollow Base detail
When the drop down menu items of Hollow Point or Hollow base are selected the respective buttons,
and
will appear.
The fields containing the dimensional values for the hollow cavities will remain bank until a button is clicked. Then the software will calculate default values for the cavities and open the panels that contain the fields for the dimensional values. These value may then be edited to produce the desired hollow cavity profile.
If a meplate design other that Hollow Point or a base design other than Hollow Base is selected in the drop down menus, the buttons will not be visible and the values will be deleted from their respective fields.
The side radius and depth to dome values are calculated values and may not be edited.
